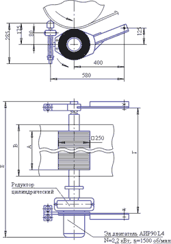
Щетка электрическая

Щетка электрическая

Щётки электрические для очистки конвейерной ленты — это:

  • две сборки: правая и левая;
  • улучшенные чистящие свойства за счёт применения упругого полипропиленового ворса;
  • повышенная износостойкость;
  • возможность применения ворса различной жёсткости.

Номинальная частота вращения щётки 300 об/мин.

Щетка электрическая: на ширины конвейеров до 2500мм, до 750об/мин, с прямым приводом или через редуктор.